The Dolgellau
Gold-belt runs, arclike, southward from
near Trawsfynydd, around the eastern and
southern flanks of the Harlech Horst
(formerly Dome) and out to the Cardigan
Bay coast near Fairbourne. Throughout
this tract, middle and upper Cambrian
sedimentary rocks and associated
intrusions comprise the solid geology.
They are unconformably overlain, to the
SE, by subaerially erupted basic island
arc-type volcanics (the Rhobell Volcanic
Group) of lowermost Ordovician age. The
Horst itself is a fault-bounded block
over which further, older, Cambrian
sedimentary rocks outcrop. These overlay
a sequence of island-arc volcanics of
postulated late Precambrian age, proved
in a borehole. The nature of the basement
remains unknown.
Mesothermal gold-quartz lodes are common
throughout the Gold-belt, but have only
produced significant gold at certain
localities. The total recorded output of
the Gold-belt is ca. 4 tonnes of gold,
mostly being produced by two mines,
Clogau and Gwynfynydd, in the late 1800s
and early 1900s. Intermittent exploration
and production have continued to the
present day, with the last large-scale
mining activity being at Gwynfynydd mine
in the 1983-1998 period.
It is an area that has interested me
since 1980, when I was taken to Clogau
mine, then at work, and saw the stunning
high-grade ore being mined at the time -
chunks of quartz with visible gold
sticking out all over the place, with
here and there the glitter of tellurides.
Since then much research has been done by
several workers: the age and sequence of
the mineralisation are both better
understood as is the chemistry of the
mineralising fluids. But there is still
plenty to look at!
STRATIGRAPHY
AND STRUCTURE
The part of the Cambrian stratigraphy
relevant to the gold vein-mineralisation,
comprising the Mawddach Group, is as
follows:
Ffestiniog Flags Formation - 650-1020m
thick: massive or poorly bedded pale to
dark grey silty mudstone with
thinly-bedded light grey coarse quartzose
siltstones.
Maentwrog Formation - 700-1200m thick:
coarse quartzose siltstones alternating
with dark mudstones ("Vigra
Flags" of earlier authors), passing
up into dark mudstones ("Penrhos
Shales").
Clogau Formation -
90-105m thick: dark grey or black
carbonaceous mudstone.
The Clogau Formation
overlies the Gamlan Formation, which
consists of rather monotonous grey
mudstones and siltstones; the junction
between the two is marked by transition
beds in which Clogau-type and Gamlan-type
facies alternate.

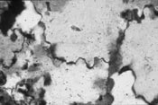
Above: Transition beds in the lower part
of the Clogau Formation exposed on the
wavecut platform at Friog, near
Fairbourne. The pale band through the
middle of the image is ca. 3cm in
thickness.
Intrusive rocks of intermediate to basic
composition ("greenstones") are
abundant. The larger greenstone
intrusions, for example in Coed Y Brenin,
carry porphyry-style Cu-Mo-Au-As
mineralisation. The Coed Y Brenin
porphyry copper deposit was drilled in
the late 1960s-early 1970s (Rice and
Sharp, 1976), but both economic and
environmental factors prevented it from
being mined.

Above: hand specimen
of "ore" from the Coed y Brenin
porphyry-copper deposit. Highly altered
intermediate intrusive rock carries
veinlets and disseminations of
chalcopyrite and tennantite.
The minor intrusions are dominated by
sill-like bodies which are abundant
throughout the Mawddach Group, and range
in thickness from only a few cm to tens
of metres. Compositionally they are
dioritic to doleritic: however, pervasive
hydrothermal alteration has removed most
primary igneous minerals, replacing them
with a quartz-chlorite-sericite-carbonate
assemblage, giving the rocks the dull
greeny-grey colour which led to the name
"greenstone" being coined.
Dykes are less common.

Above: sample of
"greenstone" from an intrusion
in the bed of Afon Mawddach.
The Rhobell
Volcanics consist of porphyritic basalts
and lava-breccias. Large black
phenocrysts of the amphibole pargasite
are a frequent feature, as is the vivid
pale green colour of these rocks due to
the generation of abundant epidote as a
consequence of late hydrothermal
activity. Rare intrusions of a similar
appearance have been identified in the
Mawddach valley and in contrast to the
main "greenstone" suite, these
are relatively unaltered.

Above: part of a large cut and polished
slab of lava-breccia from the Rhobell
Volcanics. Note the black pargasite
phenocrysts (to about 1cm in this image)
and the green colour - a result of
epidotisation.
The area has undergone a multi-stage
history of uplift and folding. Initial
folding on a N-S axial trend occurred
prior to and immediately after the
eruption of the Rhobell Volcanics. The
major folds of the district were formed
at this time, though they were probably
accentuated by the Acadian deformation
during the Devonian Period.
THE GOLD-LODES
The gold-lodes consist of quartz with
calcite, chlorite, white mica and
sulphides. Their metalliferous content
varies strongly. For example, at Clogau,
sulphides are relatively minor, while at
Gwynfynydd they are abundant. 
The lodes mainly
trend ENE. They occur in anastamosing
groups, which may be in excess of 5 km in
strike-length. In terms of width, they
vary from thin stringers to large bodies
of quartz 10m in width. A more typical
width for a major lode, however, would be
1-2m.
Typically the veins display multiple
book-and-ribbon textures (L) indicative
of repeated fissure opening and pulsed
hydrothermal activity. Different
"ribbons" often contain
different mineral assemblages.
Dips vary: some dip NNW, others SSE. A
"staircase" geometry is
commonly seen as a result of lithology
contrasts: veins typically steepen when
passing into "greenstone" and
flatten out when passing into shaly beds,
where dips as low as 40o
have been recorded. 60-80o
is more typical, however.
The sulphide minerals recorded from the
lodes comprise pyrite, pyrrhotite,
chalcopyrite, galena, sphalerite and
arsenopyrite. A paragenetic sequence has
been deduced (Mason et al, 2002), which
is as follows in terms of dominant
phases:
Stage 1:
Cobaltite-arsenopyrite-pyrite
Stage 2: Au-Ag-Bi-Te-Pb-Sb
"bonanza-type" gold-silver
Stage 3: Pyrrhotite-chalcopyrite
Stage 4: Galena-sphalerite
Outside of Stage 2,
rarer mineral species include cubanite
and mackinawite.
Within Stage 2, tellurides of bismuth,
lead and silver occur, the most important
being tellurobismuthite and tetradymite,
regarded, especially at Clogau mine, as
strong indicators of nearby gold. Rarer
tellurides include aleksite, altaite,
hedleyite, hessite and pilsenite.
Accompanying the tellurides are various
Pb-Bi-Sb-Ag sulphides including
bismuthinite, boulangerite, bournonite,
galena, matildite, pyrargyrite and
tetrahedrite. In petrological terms, the
telluride minerals typically occur in
complex intergrowths, where what appears
to be one mineral in hand specimen turns
out to be three or more!

Above: telluride
intergrowths in polished section (field
of view 250 microns across).
Tellurobismuthite (bright white) contains
stark blue-grey "hieroglyphs"
of galena. Tetradymite (slightly
duller-grey than tellurobismuthite) is
also present. The intergrowth is thought
to have resulted from the unmixing of a
precursor phase. Sample from Clogau mine.
Gold occurs as the
native metal and also in various
combinations with silver (including rare
lemon-yellow electrum). However, much of
the gold is of very high fineness. Not
evenly distributed throughout the lodes
(to the cost of a number of failed mine
operators, who assumed that it was), it
is instead localised to specific areas
where the correct combination of
structures and lithologies is satisfied.
Hence, well-constrained ore-shoots occur
which are limited in tonnage but in which
pockets of extremely high-grade ore are
encountered.
The location of these shoots with their
spectacular pockets cannot generally be
done by conventional exploration methods
such as geophysics, diamond drilling etc.
Instead, the logical way to approach the
issue is to develop exploration drivages
in carefully-modelled, geologically
favourable selected areas. Historical
accounts (Hall, 1990) frequently show
this approach to have been successful:
"he was
rewarded by the discovery of a small
bonanza....this yielded well from April
to June 1867.... more than 500 oz being
got from a section of vein 6ft long, 4ft
6in high and 9in wide".

Above: large
hand-specimen of bonanza-gold ore at
Clogau mine, 1980. Note the grey patches
- these are bismuth
tellurides. The barren milky-white quartz
beneath the sample is what the miners
refer to as "White Elephant"
quartz - see below.
AGE
The lodes of the Dolgellau Gold-belt were
for many years thought to post-date the
regional mountain-building that occurred
during the Devonian Period (the
Caledonian, or more recently Acadian,
Orogeny). However, in the 1990s,
increasing evidence for deformation in
the veins themselves was noted,
culminating in the discovery of the Friog
section near Fairbourne, where the lodes
are very clearly deformed, with folding,
boudinage and fracture-cleavage developed
(Mason et al, 1999).
Within boudin necks, new quartz has been
deposited in brittle dilatant openings.
In the mines, this is referred to as
"White Elephant" quartz: late,
flat-lying bodies of barren (hence the
name) quartz repeatedly straddling the
lodes. Examination of the Clogau examples
has revealed the additional presence of a
number of minerals typical of
syn-tectonic quartz veins elsewhere in
North Wales, including chlorite and
rutile. The "White Elephant"
quartz has demonstrably formed as a
result of brittle dilantant fracturing in
response to upward extension of the
ENE-striking lode, under a NW-SE oriented
field of intense compressive strain.
The Friog site is now a geological Site
of Special Scientific Interest.

Above:
buckle-folds in a quartz-sulphide vein at
Friog. The folding is best seen in the
smaller veins.
Petrological
examination of lode material from other
Gold-belt localities reveals extensive
recrystallisation of sulphides and the
quartz typically shows high-strain
fabrics with deeply sutured grain-grain
margins and shadowy extinction. These are
all to be expected as a result of a
regional compressive deformation.

Above: thin section
of sutured quartz grain margin - typical
Gold-belt quartz - from Gwynfynydd mine.
Field of view 250 microns across.
The Gold-belt veins are thus
age-constrained, rather loosely it has to
be said, between the age of the youngest
host-rocks in which they are found
(apparently the upper Cambrian Ffestiniog
Flags Formation) and the Devonian
deformation. The lode system at Clogau
cuts and displaces an early, pre-Rhobell
fold axis. Having managed to constrain
them so far, I have to guess beyond that!
Early Ordovician uplift of the Harlech
Horst was intense enough for significant
melange development on its northern flank
in Arenig-Llanvirn times - perhaps they
are accommodation structures associated
with that process.
METAL SOURCE
The source of the metals present in the
sulphides of the gold-lodes is considered
to be the basic-intermediate Bryn-Teg
volcanic formation and, more
speculatively, a basic to ultrabasic
basement beneath that. Two lines of
evidence strongly support the contention
(Shepherd & Bottrell, 1993).
Firstly, sulphides in the Bryn-Teg
volcanics have a much better
sulphur-isotope correlation with the
sulphides of the gold-lodes, compared to
the 34S-enriched sulphides occurring
within the Cambrian strata. This feature
points towards an externally-derived
hydrothermal fluid.
Secondly, the alteration geochemistry of
the gold-lodes includes the addition of
Cr and Ni to the wall-rocks, even where
these are altered basic intrusives, and
early vein chlorites are Mg-rich and
Mn-poor. These are features interpreted
as indicative of fluid derivation from a
basic-ultrabasic source terrain.
On the subject of the basement to the
Harlech Horst, it has indeed been
proposed, following regional geophysical
surveys, that there exists a magnetic
core to the Dolwen Pericline, in the
centre of the Harlech Horst. The proposal
was suggested to explain the amplitude of
one of the strongest magnetic anomalies
in the area. Basic/ultrabasic rocks at
depth would fit with this, although of
course confirmation is required!
P/T CONDITIONS AND
RELATIONSHIP TO REGIONAL,
STRAIN-RELATED METAMORPHISM
In his PhD thesis, J.W.G. Gilbey (1968)
cited a maximum formational temperature
for the gold-lodes of 535oC
at a pressure of 2.4 kbar. These figures
were based on the upper stability limit
for co-existing pyrite and arsenopyrite
(temperature) and a burial depth
approaching 10 km (pressure). The latter
was based on the assumption that the full
Lower Palaeozoic succession was once
present in the area.
The post-Cambrian
history of the Harlech Horst, however,
has involved significant incremental
uplift. There is no certainty at all that
the Lower Palaeozoic succession seen
elsewhere in N Wales was deposited over
the Horst to anything like its full
thickness. Therefore, an estimate based
on the assumed presence of the full Lower
Palaeozoic succession is, by definition,
unsafe. Hence, these maximum P-T
estimations are likely to be way too
high.
More recently, three new temperature
estimates for the gold-lodes have been
produced, based on fluid inclusions,
sulphur isotope exchange and mineral
stability data (eloquently summarised in
Shepherd & Bottrell, 1993, from where
other important references may be
obtained). These data all point to
formational temperatures for the lodes of
around 300oC,
with an estimated pressure of 1.8 kbar.
These figures would seem to be much more
reasonable.
Work has also been
done on the relationship between the
gold-lodes and the maximum P-T conditions
reached during regional metamorphism.
"Peak" metamorphic conditions
were estimated, from immiscible fluids
trapped in fluid inclusions in
"metamorphic quartz veins", to
have been in the order of 365oC
and c. 3.0 Kbar.
When this work was
published, it was suggested that between
the metamorphic peak and the mineralising
event, there had therefore been a
substantial decrease in pressure but only
a small drop in temperature. At the time,
however, the lodes were still thought to
post-date the Acadian deformation and
regional metamorphism. The discovery that
the gold-lodes in fact pre-date the main
Acadian deformation invited a
reinterpretation of the data,
particularly regarding timing of lode
emplacement relative to the metamorphic
"peak". But just how is such a
"peak" defined?
Two common types of
regional metamorphism are strain-related
(occurs during deformation, resulting
e.g. in cleavage development) and
burial-related (the deeper a rock is
buried the more it gets pressurised and
heated). Both will occur in the life
cycle of a sedimentary basin that
deepens, fills and is then obliterated by
deformation. Logically, burial-related
metamorphism ought to reach its peak when
the maximum depth of basin-fill is
attained. However, the "metamorphic
quartz veins" giving the 365oC
and c. 3.0 Kbar P/T data cited above
have, I suggest, nothing to do with
burial-related metamorphism. These
"metamorphic veins" are instead
mineralised brittle fractures, typically
hosted by relatively competent bodies of
rock (including the gold-lodes) that
opened up as they were deformed during
the Acadian strain-related metamorphism,
whilst the more argillaceous rocks such
as the Clogau shales deformed in a more
ductile manner.
Because of our
incomplete understanding of how much of
the Lower Palaeozoic succession was
deposited over the Harlech Horst, we have
no idea when burial-related metamorphism
peaked in this area. What we do know is
that the lodes pre-date the regional
Acadian deformation; we know that brittle
fractures formed during that deformation
were mineralised with "White
Elephant" quartz and - given that
the "White Elephant" quartz
falls into the paragenetic group
"metamorphic quartz veins", we
have P/T data for that.
The available data therefore indicate
that the gold-lodes were formed at ca.
300oC
and at 1.8Kbar, at some point after the
end of the Cambrian Period but prior to
the regional Acadian deformation. They
subsequently experienced a substantial
pressure increase (up to 3.0Kbar) coupled
with a moderate temperature increase (up
to 365oC)
during the Acadian deformation and
associated regional strain-related
metamorphism, which resulted in their
folding, boudinage and mineral
recrystallisation. The relationship
between lode emplacement and peak
burial-related metamorphism is still
unknown.
GOLD CONCENTRATION
Fluid-inclusion
studies at Clogau mine, during its
working in the 1980s, enabled
correlations to be made between gold
grades and variations in the bulk
composition of inclusion fluids (Shepherd
& Bottrell, 1993). Particularly,
fluid inclusions in quartz in gold-rich
areas contain increased levels of
methane.
The above authors
cited interaction between a
low-to-moderately saline brine with
carbon (graphite) in the wall-rocks
(black shales) to generate the methane:
2C + 2H2O
= CO2
+ CH4
Studies also
indicated that the most likely
transporting mechanism for the gold,
within the hydrothermal fluids, was as a
bisulphide complex. Put simply, the
generation of methane by the reaction
with graphite (above) leads to a further
process in which sulphide activity in the
hydrothermal fluid is strongly decreased,
leading to gold bisulphide
destabilisation - and thereby deposition
of gold.
This reaction does go some of the way to
explain why there is a particular
association with black carbonaceous
shales and high gold grades. But it does
not explain why, in the vast tracts of
shale-hosted lodes, the gold-shoots are
so localised and high-grade. That story
remains to be told!
POST-ACADIAN
VEINS IN THE SAME DISTRICT
Late, undeformed
post-Acadian veins occur commonly in some
parts of the Gold-belt. They contain a
mineral assemblage which is dominated by
bands of coarsely crystalline calcite and
marcasite. Sphalerite, pyrite, quartz and
galena are also present in places. They
are relatively rare at Clogau and other
mines in the SW sector, but they are
particularly abundant in Gwynfynydd area.
They cut, but rarely displace, the
gold-lodes. Beyond the Gold-belt, they
are also found across Snowdonia and were
particularly abundant in the Llanwrst
district where they were mined
extensively for lead and zinc. They
therefore occur on a far more regional
basis. Data obtained so far indicate them
to be barren in terms of gold content! An
Upper Palaeozoic or even lower Mesozoic
age sees likely, the veins having formed
by dilatant fissure-fill on a
predominantly N-S trend. An extensional
tectonic regime related to adjacent
sedimentary basin development in the
Irish Sea area seems as likely a scenario
as any given present data.

Above: banded
sphalerite, calcite and marcasite from a
post-Acadian fissure-vein, Dolgellau
Gold-belt. Sample is ca. 30cm across.
CONCLUSIONS
Mesothermal
gold-lodes, cutting Middle to upper
Cambrian sedimentary rocks (with
associated, highly altered intrusives),
were probably formed at temperatures of
ca. 300oC
and pressures of ca. 1.8Kbar during early
Ordovician times. Gold enrichment
occurred at suitable
structural/lithological locations to
create high-grade ore-shoots. Acadian
deformation in Devonian times folded and
boudinaged the veins, resulting in
extensive mineral recrystallisation and
the development of low-angle late quartz
pods. Further work is required in order
to better constrain the age of the
gold-lodes.
BACK
TO GEOLOGY PAGE
|
REFERENCES
Allen, P.M. &
Jackson, A.A., 1985. Geology of the
country around Harlech. Memoirs of the
British Geological Survey. Explanation of
sheet 135, with part of 149, 112pp.
Gilbey, J.W. 1968.
The mineralogy, paragenesis and structure
of the ores of the Dolgellau Gold Belt,
Merionethshire, and associated wall rock
alteration. Unpublished PhD thesis,
University of London.
Hall, G.W. 1990. The
Gold Mines of Merioneth. 2nd ed. 99pp.
Griffin Publications, Kington.
Mason, J.S., Bevins, R.E and Alderton,
D.H.M. 2002. Ore Mineralogy of the
mesothermal gold lodes of the Dolgellau
Gold Belt, North Wales. Transactions of
the Institution of Mining and Metallurgy
(Section B, Applied earth science), 111,
B203-B214.
Mason, J.S.,
Fitches, W.R and Bevins, R.E. 1999.
Evidence for a pre-tectonic origin for
the auriferous vein-type mineralisation
in the Dolgellau Gold-belt, North Wales.
Transactions of the Institution of Mining
and Metallurgy (Section B, Applied earth
science), 108, B45-B52.
Rice, R. &
Sharp. G.J. 1976. Copper mineralisation
in the forest of Coed-y-Brenin, North
Wales. Transactions of the Institution of
Mining and Metallurgy (section B), 85,
B1-B13.
Shepherd, T.J. &
Bottrell, S.H. 1993. Dolgellau Gold-belt,
Harlech district, North Wales. In:
Pattrick, R.A.D. and Polya, D.A. (eds):
Mineralisation in the British Isles,
187-205. Chapman and Hall.
|