JOHN S. MASON -
CONSERVATION OF WALES' MINERAL
HERITAGE:
NATURAL EXPOSURES
Note:
to return to the Conservation page of John Mason's main site, please
click on EXIT
at the bottom of any of these pages.
Natural
exposures of
mineralisation were the predecessors to the myriad mineworkings that
are scattered throughout the Welsh hills and have attracted human
attention from Bronze Age times onwards. Consequently the number of
unworked occurrences of well-exposed mineralisation are limited to
those without obvious economic interest. But in some cases the
scientific importance is nevertheless considerable. Here are some
examples.

|
This is a view looking south from Fairbourne beach in Gwynedd, North
Wales, towards the cliff-section known as Friog. The rocks are Middle
Cambrian sediments with associated minor intermediate intrusives (known
locally as "greenstones").
The Friog section lies at the SW end of the Dolgellau Gold-belt and
exposes a series of quartz-sulphide lodes ("Gold-belt veins") which are
beautifully folded and boudinaged. Here then is the critical exposure
which demonstrates that these lodes pre-date the end-Caledonian
(Acadian) regional deformation. Prior to the discovery at Friog, the
Gold-belt veins had been assumed to be Upper Palaeozoic in age, a date
seemingly confirmed by K-Ar isotopic dating of wallrock micas. However,
it is now clear that the isotopic age was re-set by Acadian and
possibly later deformation! |

|
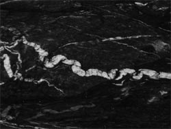
The thinner veins
of suitable orientation (ie. normal
to the maximum compressive stress or WNW-ESE trending best show the
folding effects: this one is only 3cm wide. Boudinage is a feature of
the commoner and frequently thicker ENE-trending veins. The section
comprises cliff-bases and wavecut platforms polished by sand and sea
over the years.
The veins carry quartz, carbonates, chlorite, sericite, chalcopyrite,
pyrrhotite, galena, sphalerite, arsenopyrite and pyrite. The host
strata, vein mineralogy and textural features are identical to those of
the Gold-belt veins inland. This was one of the most important
discoveries of the Minescan project and the site is well worth a visit
armed not with a hammer but with a camera to record the beautiful
folds. Access is possible over low tide in good weather, best in Spring
before heavy weed growth obscures things. You can always email me for
tidal information, in return for a pint! |

|
In much younger
rocks, the transition from
terrestrial desert to marine conditions is superbly displayed at
Lavernock point near Cardiff. In cliff exposures here, the red Keuper
Marls are overlain by brown Rhaetic beds, which pass up into the Lower
Lias - in other words this is the Triassic-Jurassic boundary.
Beds of gypsum, with spots of malachite, are common in the marls and
reflect the hypersaline conditions in which evaporite deposits are
formed. Remobilisation of the gypsum has occurred so that the mineral
occupies thin veins formed during tensile fracturing. Larger
fracture-veins in the overlying Rhaetic contain calcite, celestine and
strontiantite. Conservation of this site is straightforward as the
vein-exposures are impossible to access (crumbling steep cliffs) and
samples are only obtained after winter rockfalls. |
 |
Not far along the
Glamorgan coast, the Ogmore-on-Sea
sections reveal eroded Carboniferous Limestone overlain unconformably
by the basal Lower Lias. This is a critical metallogenic section.
Mississippi Valley Type (MVT) veins occur in the Carboniferous
limestone and carry calcite, baryte, galena and sphalerite (L). As they
reach the erosion surface the mineralisation takes on exhalative
("black-smoker") characteristics so that the same minerals fill
sedimentary structures (like geopetal voids) in the Lower Lias. The
mineralisation in the Lias indicates that hydrothermal fluids were
expelled onto the sea-floor and into pre- or part-lithified Lower
Jurassic sediments - thus indicating that the MVT mineralisation of
South Wales is at least partly of Lower Jurassic age.
This demonstrates the core philosophy behind Minescan: a site needs to
demonstrate a major point, such as an age relationship, regional
process, important mineral assemblage or in many of the best sites two
or more of these to warrant SSSI status. Clearly the relationship
between MVT vein mineralisation and the Lower Jurassic sea-bed at
Ogmore makes it a prime candidate. |
 |
Just to the west
of Ogmore is Witches Point, near
Southerndown. More typical Lias facies, higher in the succession, are
exposed along the beach here and consist of interbedded shales and
limestones. Close to Witches Point, a fault with severe drag-folding
has cut the Lias: its major movement is thought to be related to the
Mid-Tertiary Alpine earth-movements. It is mineralised by a thick
calcite-pyrite vein which has undergone cataclasis during the major
movement: however the pyrite is locally cut by thin veinlets of fresh,
undeformed galena and sphalerite. This indicates that the Pb-Zn
mineralisation post-dates the pyrite cataclasis: if this major movement
is indeed Mid-Tertiary then here we have an example of geologically
young metalliferous primary mineralisation by Welsh standards. |

|
Interesting natural exposures of mineralisation are not limited to
sea-cliffs. High on the S flank of Snowdon a locality known as Shadow
Gully is of considerable interest for its Sn/W enriched mineralisation.
The gully is an eroded fault-line and it is floored with mineralised
breccia cemented by haematite and magnetite with minor sulphides. The
mineralisation is fine-grained and its study involves the use of the
petrological microscope. |

|
Here is a rib of
magnetite-cemented breccia in the
floor of Shadow Gully. The breccia contains fine-grained iron oxides in
which microscopic grains of cassitterite and scheelite are present. The
mineralisation is related to the Mid-Ordovician Snowdon Caldera and is
but one aspect of this important metallogenic mini-province. There is
also a suite of quartz-sulphide (Cu-Fe-Pb-Zn-As-Bi) veins, which were
extensively mined for copper in the 18th and 19th Centuries. The link
between caldera development, magmatism, fracturing and metalliferous
mineralisation is well-demonstrated in this area. |
MINES
ROAD
CUTTINGS AND QUARRIES
EXIT
|